全国统一服务热线
400-610-6025
首 页
企业简介
公司概况
证书荣誉
组织结构
业务范围
业绩案例
工艺材料
行业动态
资料下载
mksport
当前位置:
首页
>
图集
>
多跨双曲拱桥加固工程案例
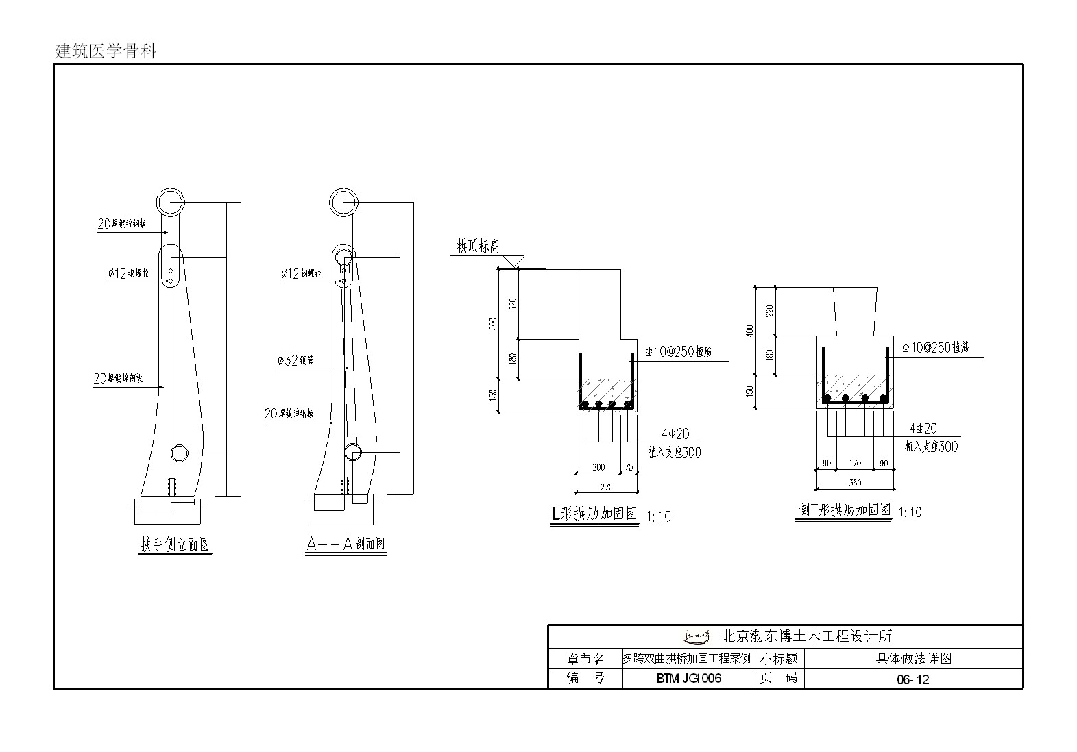
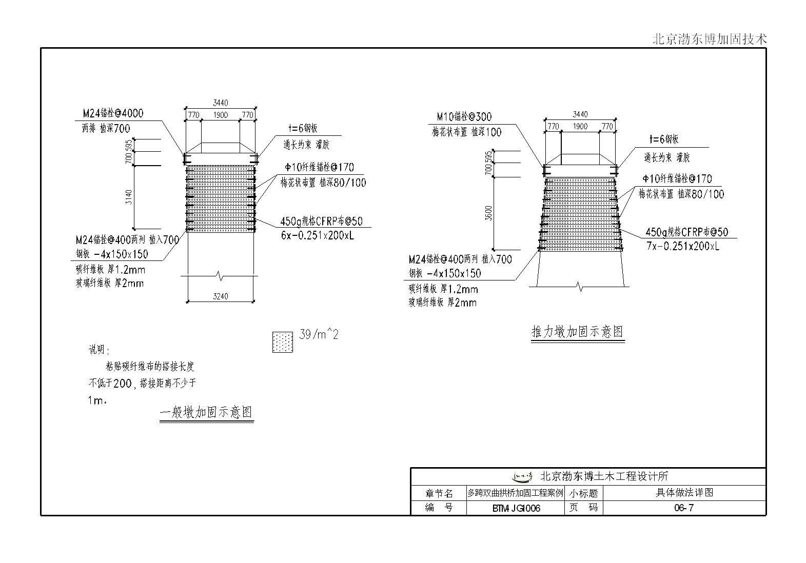
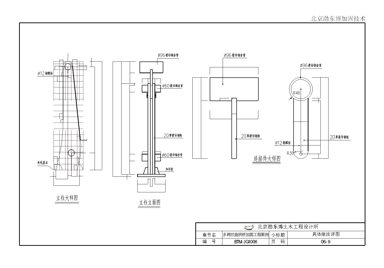
多跨双曲拱桥加固工程案例
版权所有:MK体育·(国际)官方网站
邮箱:jiagu@bodongbo.com
传真:010-64403408
电话:400-610-6025 800-810-6025 010-64403428
地址:北京市朝阳区北苑东路19号院2号楼1206室(中国铁建广场C座)
京ICP备2022035419号-1
BBV·体育
|
MK网官方站网页版_MK(中国)
|
BBV官方网页版
|
mk体育在线官网
|
mk足球_MK(中国)
|
BBV买球
|
BBV网页版_BBV(中国)
|
mk官方网页版
|
BBV官方网站_BBV(中国)股份有限公司
|